Анкерные плиты для фундаментных болтов

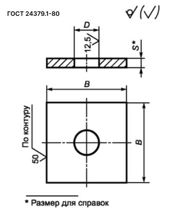
ГОСТ 24379.1-80 «Болты фундаментные. Конструкция и размеры».
В строительстве важна каждая деталь. Анкерная плита — это основополагающий элемент, который обеспечивает устойчивость и долговечность фундаментных конструкций. Компания Stalnor предлагает широкий ассортимент анкерных плит, изготовленных на заказ в полном соответствии с вашими требованиями.
Что такое анкерная плита?
Анкерные плиты, чаще всего выполняемые из высокопрочной стали, применяются для закрепления фундаментных болтов. Они служат основой для распределения нагрузки от конструкции на большую площадь, обеспечивая тем самым стабильность и безопасность всего здания или сооружения.
Типы анкерных плит
Варианты исполнения анкерных плит могут различаться в зависимости от области применения:
- Опорно анкерная плита — используется для поддержки вертикальных конструкций.
- Болт с анкерной плитой — специальное соединение для большей прочности.
Стандарты и качество
Наши изделия соответствуют строгим требованиям ГОСТ 24379.1-80. При производстве мы ориентируемся на стандарты качества, которые гарантируют долговечность и надежность продукции.


Преимущества заказа анкерных плит у компании Stalnor:
- Индивидуальный подход: Мы производим анкерные плиты на заказ, чтобы точно соответствовать специфике вашего проекта.
- Качественные материалы: Используем только проверенные сырьевые материалы, что обеспечивает долговечность и безопасность изделий.
- Доступные цены: Мы предлагаем анкерные плиты по конкурентоспособной цене, сохраняя безупречное качество.
- Сжатые сроки: Эффективное производство позволяет оперативно выполнять заказы любого объема.
Часто задаваемые вопросы
Как выбрать анкерную плиту?
При выборе следует учитывать тип конструкции, предполагаемую нагрузку и технические стандарты проекта. Наши специалисты всегда готовы помочь в подборе подходящих решений.
Какова стоимость анкерной плиты?
Цена анкерной плиты зависит от материалов, сложности исполнения и объема заказа. Для получения персонализированного предложения свяжитесь с нами.
Выбор надежных конструктивных элементов — залог успешной реализации вашего проекта. Анкерные плиты от компании Stalnor — это качественный продукт, оправдывающий ваши ожидания по всем параметрам. Мы предлагаем не только изделия, но и уверенность в своём выборе.
Обращайтесь к нам сегодня, чтобы получить бесплатную консультацию и подробный расчет стоимости!